在雾霾的阴影下,很多人选择自测PM2.5,但又对各种途径购买的PM2.5监测仪心存疑虑。刘焕武老师@事故天春 在监测站一线工作多年,特意写了这篇科普文章为大家解惑。
持续的北方雾霾天气,引起了大家对PM2.5的关注,使本来一个专业性很强的词语(particulate matter)成了最为大众的热词。除了官方公布的PM2.5实时监测数据之外,还有很多人自备PM2.5监测仪。
我去“某宝”转了转,发现有各种各样的PM2.5检测仪,价格从几百到几千不等,功能也大不相同,从“二合一”到“八合一”都有。有的号称和某国际品牌进行过对比测试等等。

那么这些种类繁多的检测仪到底靠不靠谱,能不能用呢?我用自己多年工作的经验来告诉你这些。
1 PM2.5、PM10、气溶胶,你能分清吗?一个老掉牙的问题,虽然全民普及程度最高,但还是有必要在这里再介绍一下。
简单地说,颗粒物溶于空气中的这一种体系就叫做“气溶胶”。比如“盐水”溶液一样,这个气溶胶里面包括了水,污染颗粒和干净的空气等等,是指一个体系系统。
能悬浮在环境空气中的颗粒物叫“总悬浮颗粒物”简称TSP,空气动力学当量直径(以下简称直径)一般小于100微米,请注意当量直径是指动力学性能相当于的直径,因为颗粒物形状各不相同并不都是圆型滴。
PM10的直径是TSP的1/10,PM2.5只有PM10的1/4,更小的还有PM1只有PM2.5的2/5。

这些污染物从定义来说是大的包含小的,也就是说,PM2.5是PM10的一部分,绝不是两种污染物,只是大小范围不同。
之所以强调这个,是因为不只是老百姓不知道,在X京青奥会的总结中,市长讲话也有“……我市消消减了PM2.5XXX万吨,PM10XXX万吨……”内容,好像这根本就是两种污染物一样。
我要说的是“儿子永远没有老子大”,也就是说如果PM2.5数据比PM10数据大了,那肯定以及确定是有问题了,就比如你儿子比你大,那么儿子就不是亲儿子。
2 国家怎样检测颗粒物(PM)?
事实上无论在美国还是在中国,国家标准的方法就是“重量法”,也就是称重法。在美国叫“EPA标准方法”,在我国叫“A类方法”,除此之外的方法均是参考方法,就是说,只有“重量法”才是颗粒物检测的最准确方法。因为只有这个方法才真正测量的是颗粒物的质量。是浓度数据的标准定义因子。
简单地说,重量法就是将用于PM2.5(或其它颗粒物)收集的过滤的膜先期进行称重,然后使用专用设备进行收集一定量体积的环境空气,对收集有PM2.5的采样膜再次进行称量,通过计算得到PM2.5的浓度。

这个方法的准确度是显而易见的,但对检测人员的要求相对较高,同时在时效性上无法满足太高要求。因此就有了一些替代的方法,在美国叫“EPA参比法”,在我国叫“B类检测方法”,主要有β射线吸收法和微量振荡天平法(TEOM)。
3 β射线吸收法
β射线吸收法,其实就是利用一个碳14的放射源作为检测光源,工作时先对没有采样的过滤膜进行照射,测出膜本身对β射线的吸收程度来;然后再使用恒定的流量采样一个周期,再次进行β射线的吸收程度检测从而计算出周期内灰斑对β射线的吸收率,据此计算出灰斑的质量。

这里的具体原理和公式就不说了,总之灰的厚度与β射线的消减程度是有一定数学关系。
这种方法测量的其实并不是颗粒物的质量,而是颗粒物对β射线消减能力。我们知道,每个地区颗粒物成分是不同的,那么这种削减程度肯定也就是不一样的,虽然与传统手式重量检测方法有一定的差别,但基本上是可以反应质量浓度的变化情况的。所以也成为环境空气质量自动检测的主流方法的之一。
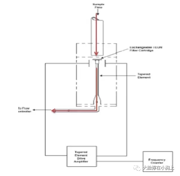
4 微量振荡天平法(TEOM)
微量振荡天平法(TEOM)与β射线吸收不同是它不存在放射光源。而是用一个微量的小型过滤膜放在一个锥形玻璃管的顶端,在这个锥形玻璃管有两个极小的振荡电极,以固定的能量使玻璃管进行振荡,当颗粒物在过滤膜上积累的过程中,振荡的频率就会发生变化,而这种变化是与颗粒物积累的质量相关的。因此可以计算出颗粒物的质量。

很显然这种方法是最接近重量法的一种自动检测方法。与重量法的差异更小,这也是目前我国空气质量观测网中常用的颗粒物检测方法之一。
当然设备只是进入设备的颗粒物进行检测,至于进入设备的是什么类型的颗粒物这就需要一种叫颗粒物“切割器”的物件来进行选择了。

这是空气质量自动监测系统中的主流切割设备,它们的作用就是挡住某种直径以上的颗粒使其不能进入设备,以保证进入设备进行检测的是确实是你想测的颗粒物。
5 90度激光散射法
在我国,环境空气质量国家网是不允许此种检测方法的设备入网的,而在其它部门(比如气象、科研等)这类设备是作为一种颗粒物(PM)检测仪所使用的,主要原因是实质上它测的不是质量,而是颗粒物的数量,但10只猪显然与1000公斤猪不是一个概念。这与国家环境空气网的要求差异较大。

在一个黑暗的检测室里,激光光源按照与检测器互相垂直的角度射入测量室,而在另一个垂直方向上空气样品按一定速度陆续进入。激光照在颗物上就会发生散射现象,这样在检测器上就可以测到不同强度的散射光信号。

这种信号的强度与颗粒物的大小相关,那么信号的多少就是颗粒物的数量。通过公式折算出颗粒物的质量浓度。
目前市场上的微型PM2.5检测仪基本上都是这类方法原理的,所以其所测得的数据往往与国家环境空气监测网的数据差异较大。“寸的所长,尺有所短”,如果用来统计颗粒物的数量,那么这种方法就是前几种方法所不能替代的了。但是目前评价体系是以质量浓度来进行的,这样就使得这种设备使用的效果有限了。
06市场上的PM2.5检测到底能不能用?
一句话:能用,但就看你如何用了。
首先,用于研究领域的90度激光散射法设备以M国某品牌为常见。建议使用前与国家空气网所使用的主流设备进行比对校准。否则只能是趋势一致,结果相差较大。
其次,相对来说较上档次的激光检测仪,一般为坑道,粉尘工作场所等环境中用于安全检测所使用的设备,不要求精度,图的是个方便快捷。
最后就是2000元以下的所谓的PM2.5检测仪,您就只当是个玩具,玩玩就可以了,可千万别当真,否则会误导您的。
我也曾干过室内环境检测的工作,您一台设备的钱只够一间房子的检测费用,这怎么可能靠谱呢?
至于那种号称“X合一”的产品,就只能一乐了。根本不可能有这么一台微型的设备啥项目都可以测。如果这样的话,那么那些环境检测公司还有没有存在的价值?
而对于室外环境空气质量,我的建议是有个手机APP就行,各个APP在数值上并不会存在区别,都是从国家空气网上挖来的。当然大使馆的数据,也能代表它附近一定范围内的局部数值。
还有就是要注意相关建议与预警,针对环境空气污染自己保护好自己才是王道。祝您健康。
本文已获权转载,如需转载请联系原作者,谢谢。






